каталог товаров
СОБЕРИЗАВОД

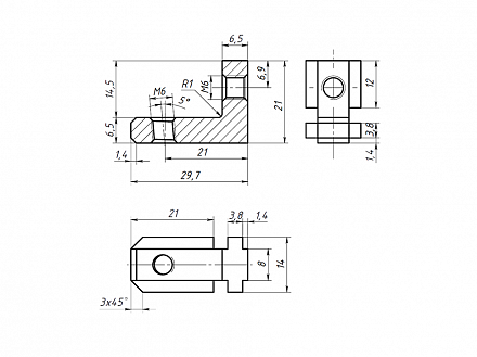
Внутренний угловой соединитель 8-А, паз 8, E29 Арт. E29

штука
технические характеристики
Паз: 8
Серия: 30
Масса: 0,016 кг / шт
Материал: цинк

Описание товара

   Внутренний угловой соединитель 8-A предназначен для соединения алюминиевых конструкционных станочных профилей  под углом 90 градусов.