каталог товаров
СОБЕРИЗАВОД

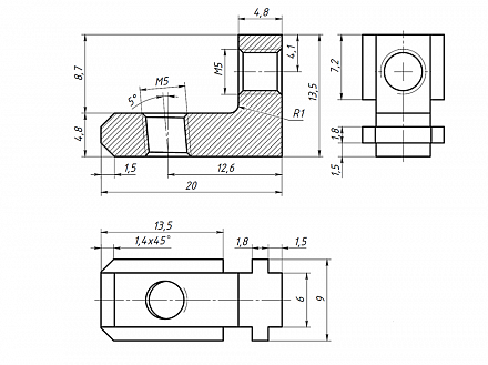
Внутренний угловой соединитель 6-А, паз 6, H19 Арт. H19

штука
технические характеристики
Паз: 6
Серия: 20
Масса: 0,016 кг / шт
Материал: цинк

Описание товара

   Внутренний угловой соединитель 6-A предназначен для соединения алюминиевых конструкционных станочных профилей  под углом 90 градусов.