каталог товаров
СОБЕРИЗАВОД

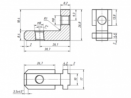
Внутренний угловой соединитель 10-А, паз 10, E24 Арт. E24

штука
технические характеристики
Паз: 10
Серия: 40,45,50
Масса: 0,034 кг / шт
Материал: цинк

Описание товара

   Внутренний угловой соединитель 10-А предназначен для соединения алюминиевых конструкционных станочных профилей  под углом 90 градусов.