каталог товаров
СОБЕРИЗАВОД

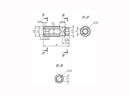
Резьбовой соединитель M12, паз 10, A262 Арт. A262

штука
технические характеристики
Паз: 10
Серия: 40,45,50
Масса: 0,013 кг / шт
Материал: сталь
Покрытие: цинк

Описание товара

Резьбовой соединитель используется для скрытого соединения конструкционного профиля под углом 90 градусов. Соединитель с помощью шуруповерта вкручивается в паз профиля (против часовой стрелки), в центральное отверстие вставляется винт и зажимается т-гайкой, которая находится в пазу профиля с другой стороны. Рекомендуется использовать 2 комплекта крепежа, чтобы закрепить профиля (с одной стороны паза и с противоположной). Такой тип соединения подойдет для небольших нагрузок - до 20 кг на узел.