каталог товаров
СОБЕРИЗАВОД

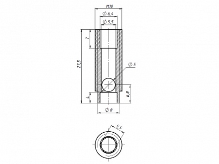
Резьбовой соединитель M10, паз 8, A261 Арт. A261

штука
технические характеристики
Паз: 8
Серия: 30
Масса: 0,0084 кг / шт
Материал: сталь
Покрытие: цинк

Описание товара

Резьбовой соединитель используется для скрытого соединения конструкционного профиля под углом 90 градусов. Соединитель с помощью шуруповерта вкручивается в паз профиля (против часовой стрелки), в центральное отверстие вставляется винт и зажимается т-гайкой, которая находится в пазу профиля с другой стороны. Рекомендуется использовать 2 комплекта крепежа, чтобы закрепить профиля (с одной стороны паза и с противоположной). Такой тип соединения подойдет для небольших нагрузок - до 15 кг на узел.