каталог товаров
СОБЕРИЗАВОД

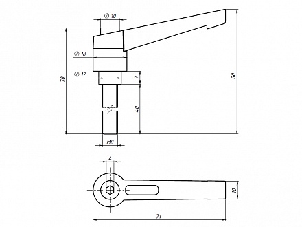
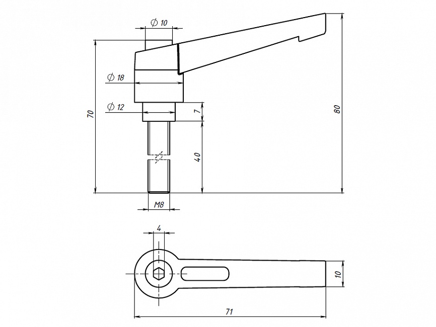
Винт с рукояткой М8х40, A402 Арт. A402

штука
технические характеристики
Паз: 6,8,10
Серия: 20,30,40,45,50
Масса: 0,0475 кг / шт
Материал: сталь + алюминий
Резьба: M8
Длина винта/высота гайки: 40 мм
Шаг: 1.25 мм

Описание товара

Для закручивания и откручивания винта можно использовать как шестигранную головку, так и рукоятку, что очень удобно при подвижных соединениях