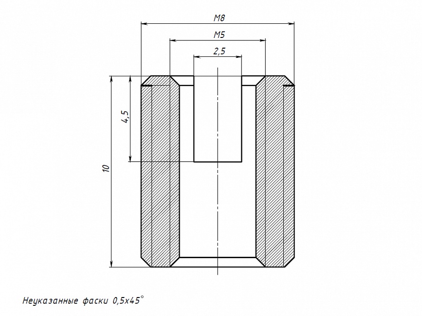
Втулка резьбовая М8х1,0 / М5х0.8, A369 Арт. A369
технические характеристики
| Паз: | 6 |
| Серия: | 20 |
| Масса: | 0,0016 кг / шт |
| Материал: | легированная сталь класса 10.9 |
| Покрытие: | Цинк |
| Резьба: | M8 / M5 |
| Длина винта/высота гайки: | 10 мм |
| Шаг: | 1 / 0.8 мм |
Описание товара
Монтаж самонарезающих втулок требует предварительного рассверливания отверстия сверлом диаметром 6,5 мм. Установку выполняют при помощи ручного монтажного инструмента, состоящего из винта, пары шестигранных гаек и шестигранного ключа. В профессиональной сфере для этих целей зачастую применяют специальный ключ для установки самонарезных втулок. В изделии используется основной шаг внутренней и внешней резьбы.