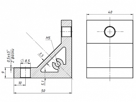
Угловой алюминиевый соединитель 50х50х40, паз 10, A347 Арт. A347
технические характеристики
| Паз: | 10 |
| Серия: | 50 |
| Масса: | 0,0855 кг / шт |
| Материал: | алюминий |
| Покрытие: | анодирование |
Описание товара
Угловой алюминиевый соединитель 50х50х40 предназначен для соединения алюминиевых конструкционных станочных профилей 50-ой серии под углом 90 градусов.