каталог товаров
СОБЕРИЗАВОД

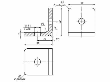
Уголок 40х40L, E18 Арт. E18

штука
технические характеристики
Паз: 8, 10
Серия: 40
Масса: 0,084 кг / шт
Материал: сталь 5 мм
Покрытие: порошковая окраска

Описание товара

   Угловой соединитель стальной 40х40L предназначен для соединения алюминиевых конструкционных станочных профилей под углом 90 градусов.