каталог товаров
СОБЕРИЗАВОД

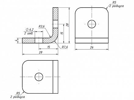
Уголок 30х30L, E13 Арт. E13

штука
технические характеристики
Паз: 8
Серия: 30
Масса: 0,037 кг / шт
Материал: сталь 4 мм
Покрытие: порошковая окраска

Описание товара

   Угловой соединитель стальной 30х30L предназначен для соединения алюминиевых конструкционных станочных профилей под углом 90 градусов.