каталог товаров
СОБЕРИЗАВОД

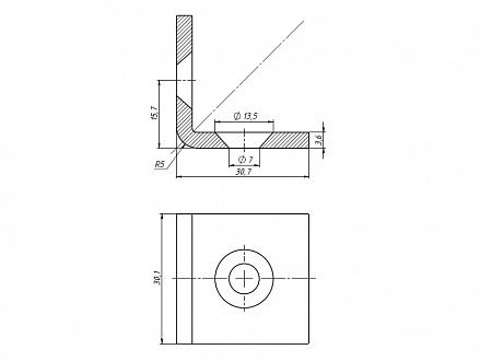
Угловой соединитель стальной 30х30, A388 Арт. A388

штука
технические характеристики
Паз: 8
Серия: 30
Масса: 0,0407 кг / шт
Материал: сталь 3,5 мм
Покрытие: черный оксид

Описание товара

   Угловой соединитель стальной 30х30 предназначен для соединения алюминиевых конструкционных станочных профилей  под углом 90 градусов.