каталог товаров
СОБЕРИЗАВОД

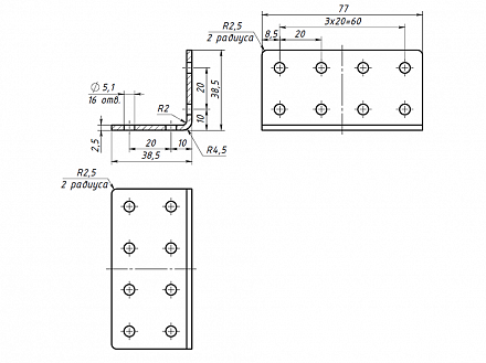
Уголок 40х80L, паз 6, M56 Арт. M56

штука
технические характеристики
Паз: 6
Серия: 20
Масса: 0,031 кг / шт
Материал: сталь 2.5 мм
Покрытие: порошковая окраска

Описание товара

   Угловой соединитель стальной 40х80L предназначен для соединения алюминиевых конструкционных станочных профилей под углом 90 градусов.