каталог товаров
СОБЕРИЗАВОД

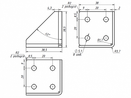
Уголок 40х40S, паз 6, H39 Арт. H39

штука
технические характеристики
Паз: 6
Серия: 20
Масса: 0,033 кг / шт
Материал: сталь 2 мм
Покрытие: порошковая окраска

Описание товара

   Угловой соединитель стальной 40х40S предназначен для соединения алюминиевых конструкционных станочных профилей под углом 90 градусов.