каталог товаров
СОБЕРИЗАВОД

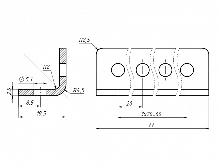
Уголок 20х80L, паз 6, M53 Арт. M53

штука
технические характеристики
Паз: 6
Серия: 20
Масса: 0,023 кг / шт
Материал: сталь 2.5 мм
Покрытие: порошковая окраска

Описание товара

   Угловой соединитель стальной 20х80L предназначен для соединения алюминиевых конструкционных станочных профилей под углом 90 градусов.