каталог товаров
СОБЕРИЗАВОД

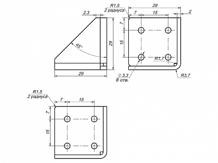
Уголок 30 х 30S, паз 3, F17 Арт. F17

штука
технические характеристики
Паз: 3
Серия: 15
Масса: 0,007 кг / шт
Материал: сталь 2 мм
Покрытие: порошковая окраска

Описание товара

   Угловой соединитель стальной 30х30S предназначен для соединения алюминиевых конструкционных станочных профилей под углом 90 градусов.