каталог товаров
СОБЕРИЗАВОД

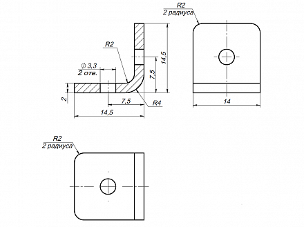
Уголок 15 х 15L, паз 3, F12 Арт. F12

штука
технические характеристики
Паз: 3
Серия: 15
Масса: 0,007 кг / шт
Материал: сталь 2 мм
Покрытие: порошковая окраска

Описание товара

Угловой соединитель стальной 15х15Lпредназначен для соединения алюминиевых конструкционных станочных профилей под углом 90 градусов.