каталог товаров
СОБЕРИЗАВОД

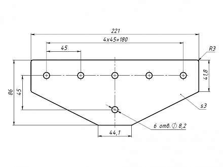
Т-соединитель 90х230, паз 10, D29 Арт. D29

штука
технические характеристики
Паз: 10
Серия: 45
Масса: 0,350 кг / шт
Материал: сталь 3 мм
Покрытие: порошковая окраска

Описание товара

   Т-соединитель 90x230 предназначен для углового соединения алюминиевых конструкционных профилей seeNsee серии 45 под углом 90 градусов.