каталог товаров
СОБЕРИЗАВОД

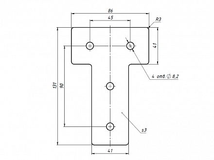
Т-соединитель 90х135В, паз 10, C36 Арт. C36

штука
технические характеристики
Паз: 10
Серия: 45
Масса: 0,170 кг / шт
Материал: сталь 3 мм
Покрытие: порошковая окраска

Описание товара

   Т-соединитель 90x135B предназначен для углового соединения алюминиевых конструкционных профилей серии 45 под углом 90 градусов.