каталог товаров
СОБЕРИЗАВОД

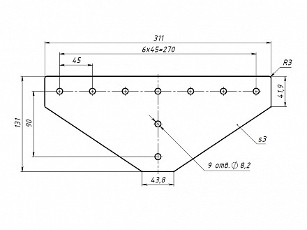
Т-соединитель 135х315, паз 10, A35 Арт. A35

штука
технические характеристики
Паз: 10
Серия: 45
Масса: 0,652 кг / шт
Материал: сталь 3 мм
Покрытие: порошковая окраска

Описание товара

   Т-соединитель 135x135 предназначен для углового соединения алюминиевых конструкционных профилей серии 45 под углом 90 градусов.