каталог товаров
СОБЕРИЗАВОД

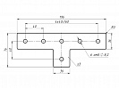
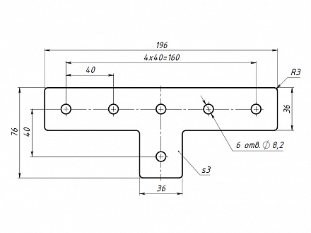
Т-соединитель 80х200В, паз 10, C57 Арт. C57

штука
технические характеристики
Паз: 10
Серия: 40
Масса: 0,194 кг / шт
Материал: сталь 3 мм
Покрытие: порошковая окраска

Описание товара

   Т-соединитель 80x200B предназначен для  углового соединения алюминиевых конструкционных профилей серии 40 под углом 90 градусов.