каталог товаров
СОБЕРИЗАВОД

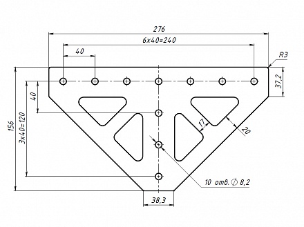
Т-соединитель 160х280, паз 10, A38 Арт. A38

штука
технические характеристики
Паз: 10
Серия: 40
Масса: 0,532 кг / шт
Материал: сталь 3 мм
Покрытие: порошковая окраска

Описание товара

   Т-соединитель 160x280 предназначен для  углового соединения алюминиевых конструкционных профилей серии 40 под углом 90 градусов.