каталог товаров
СОБЕРИЗАВОД

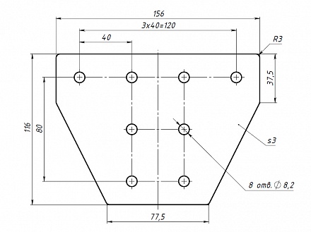
Т-соединитель 120х160, паз 10, D40 Арт. D40

штука
технические характеристики
Паз: 10
Серия: 40
Масса: 0,342 кг / шт
Материал: сталь 3 мм
Покрытие: порошковая окраска

Описание товара

   Т-соединитель 120x160 предназначен для  углового соединения алюминиевых конструкционных профилей серии 40 под углом 90 градусов.