каталог товаров
СОБЕРИЗАВОД

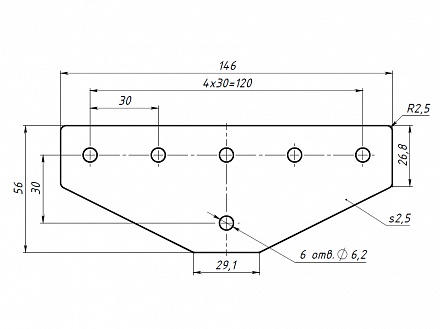
Т-соединитель 60 х150, паз 8, C55 Арт. C55

штука
технические характеристики
Паз: 8
Серия: 30
Масса: 0,150 кг / шт
Материал: сталь 2.5 мм
Покрытие: порошковая окраска

Описание товара

   Т-соединитель 60x150 предназначен для  углового соединения алюминиевых конструкционных профилей серии 30 под углом 90 градусов.