каталог товаров
СОБЕРИЗАВОД

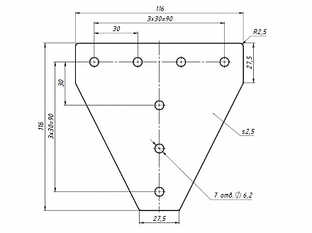
Т-соединитель 120 х120, паз 8, C73 Арт. C73

штука
технические характеристики
Паз: 8
Серия: 30
Масса: 0,224 кг / шт
Материал: сталь 2.5 мм
Покрытие: порошковая окраска

Описание товара

   Т-соединитель 120x120 предназначен для  углового соединения алюминиевых конструкционных профилей серии 30 под углом 90 градусов.