каталог товаров
СОБЕРИЗАВОД

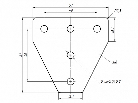
Т-соединитель 60х60, паз 6, L70 Арт. L70

штука
технические характеристики
Паз: 6
Серия: 20
Масса: 0,037 кг / шт
Материал: сталь 2 мм
Покрытие: порошковая окраска

Описание товара

   Т-соединитель 60х60 предназначен для  углового соединения алюминиевых конструкционных профилей серии 20 под углом 90 градусов.