каталог товаров
СОБЕРИЗАВОД

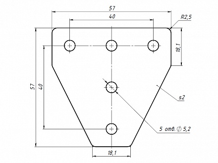
Т-соединитель 60х60 (черный), паз 6, S65 Арт. S65

штука
технические характеристики
Паз: 6
Серия: 20
Масса: 0,037 кг / шт
Материал: сталь 2 мм
Покрытие: порошковая окраска

Описание товара

Т-соединитель 60х60 предназначен для  углового соединения алюминиевых конструкционных профилей серии 20 под углом 90 градусов.