каталог товаров
СОБЕРИЗАВОД

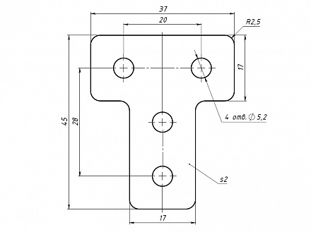
Т-соединитель 40х50В, паз 6, L69 Арт. L69

штука
технические характеристики
Паз: 6
Серия: 20
Масса: 0,016 кг / шт
Материал: сталь 2 мм
Покрытие: порошковая окраска

Описание товара

   Т-соединитель 40х60В предназначен для  углового соединения алюминиевых конструкционных профилей серии 20 под углом 90 градусов.