каталог товаров
СОБЕРИЗАВОД

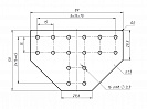
Т-соединитель 60х90, паз 3, S17 Арт. S17

штука
технические характеристики
Паз: 3
Серия: 15
Масса: 0,049 кг / шт
Материал: сталь 1.5 мм
Покрытие: порошковая окраска

Описание товара

   Т-соединитель 60х90 предназначен для Т-соединения алюминиевых конструкционных профилей серии 15 под углом 90 градусов.