каталог товаров
СОБЕРИЗАВОД

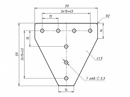
Т-соединитель 60х60, паз 3, S16 Арт. S16

штука
технические характеристики
Паз: 3
Серия: 15
Масса: 0,028 кг / шт
Материал: сталь 1.5 мм
Покрытие: порошковая окраска

Описание товара

   Т-соединитель 60х60 предназначен для Т-соединения алюминиевых конструкционных профилей серии 15 под углом 90 градусов.