каталог товаров
СОБЕРИЗАВОД

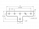
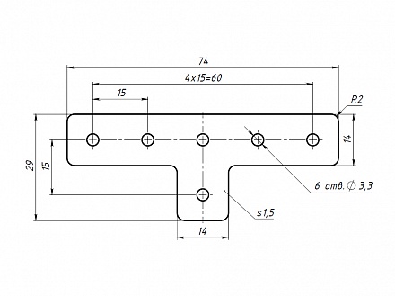
Т-соединитель 30х75В, паз 3, S13 Арт. S13

штука
технические характеристики
Паз: 3
Серия: 15
Масса: 0,014 кг / шт
Материал: сталь 1.5 мм
Покрытие: порошковая окраска

Описание товара

   Т-соединитель 30х75В предназначен для Т-соединения алюминиевых конструкционных профилей серии 20 под углом 90 градусов.