каталог товаров
СОБЕРИЗАВОД

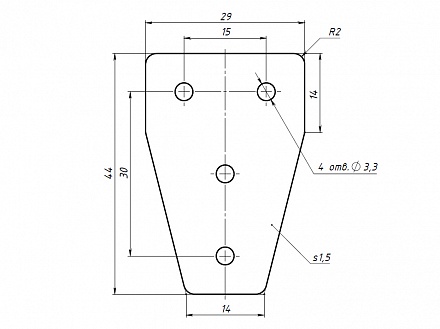
Т-соединитель 30х45, паз 3, F11 Арт. F11

штука
технические характеристики
Паз: 3
Серия: 15
Масса: 0,012 кг / шт
Материал: сталь 1.5 мм
Покрытие: порошковая окраска

Описание товара

   Т-соединитель 30х45 предназначен для T-соединения алюминиевых конструкционных профилей серии 15 под углом 90 градусов.