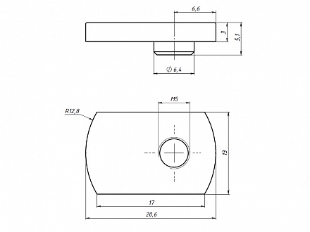
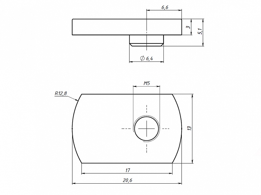
Сухарь пазовый плоский M5, паз 8, A482 Арт. A482
технические характеристики
| Паз: | 8 |
| Серия: | 30 |
| Масса: | 0,0054 кг / шт |
| Материал: | сталь |
| Покрытие: | черный оксид |
| Резьба: | M5 |
| Шаг: | 0.8 мм |
Описание товара
Сухарь пазовый плоский позволяет крепить к профилю различные дополнительные элементы и конструкции, используя болты и винты с соответствующей резьбой.