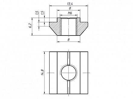
Сухарь пазовый М6, паз 8, C52 Арт. C52
технические характеристики
| Паз: | 8 |
| Серия: | 30 |
| Масса: | 0,007 кг / шт |
| Материал: | сталь |
| Покрытие: | никель |
| Резьба: | M6 |
| Шаг: | 1 мм |
Описание товара
Сухарь пазовый вводится в паз с торца профиля и позволяет крепить к профилю различные дополнительные элементы и конструкции, используя болты и винты с соответствующей резьбой.
Отличие данных элементов от Т-гаек заключается в их большей площади контакта и большей несущей способности.