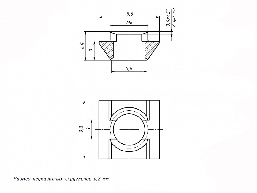
Сухарь пазовый М6, паз 6, A265 Арт. A265
технические характеристики
| Паз: | 6 |
| Серия: | 20 |
| Масса: | 0,002 кг / шт |
| Материал: | сталь |
| Покрытие: | цинк |
| Резьба: | M6 |
| Шаг: | 1 мм |
Описание товара
Сухарь пазовый позволяет крепить к профилю различные дополнительные элементы и конструкции, используя болты и винты с соответствующей резьбой. Сухарь вводится в паз с торца профиля. Отличие данных элементов от Т-гаек заключается в их большей площади контакта и большей несущей способности.