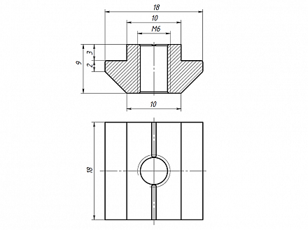
Сухарь пазовый M6, паз 10, D34 Арт. D34
технические характеристики
| Паз: | 10 |
| Серия: | 40,45,50 |
| Масса: | 0,015 кг / шт |
| Материал: | сталь |
| Покрытие: | цинк |
| Резьба: | M6 |
| Шаг: | 1 мм |
Описание товара
Сухарь пазовый вводится в паз с торца профиля и позволяет крепить к профилю различные дополнительные элементы и конструкции, используя болты и винты с соответствующей резьбой.
Отличие данных элементов от Т-гаек заключается в их большей площади контакта и большей несущей способности.