каталог товаров
СОБЕРИЗАВОД

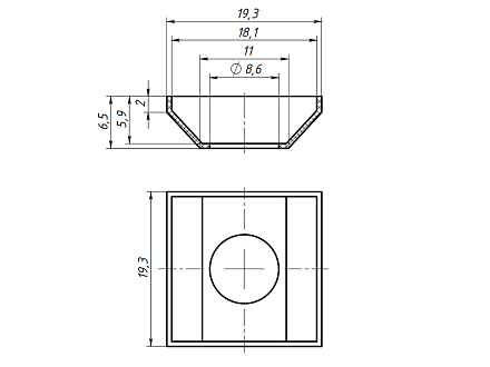
Подкладка под сухарь, паз 10, C04 Арт. C04

штука
технические характеристики
Паз: 10
Серия: 40,45,50
Масса: 0,001 кг / шт
Материал: нейлон

Описание товара

   Подкладка под сухарь применяется совместно с сухарем пазовым М4, М5, М6 и М8 для предотвращения смещения сухаря в пазу после его установки в паз алюминиевого конструкционного профиля. При использование данной подкладки сухарь можно выставить в пазу в нужное положение и сухарь не будет самопроизвольно смещаться вдоль паза даже если профиль расположить вертикально.