каталог товаров
СОБЕРИЗАВОД

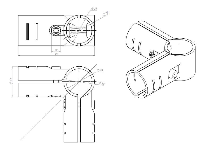
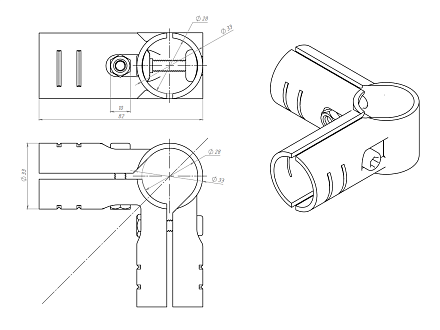
Соединитель трубный, Ф28, 2B, B296 Арт. B296

штука
технические характеристики
Серия: 28
Масса: 0,377 кг / шт
Материал: холоднокатанная сталь 2.3 мм
Покрытие: порошковая покраска

Описание товара

Кронштейн соединительный предназначен для трехстороннего соединения профилей.