каталог товаров
СОБЕРИЗАВОД

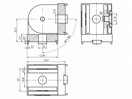
Шарнирный соединитель 30х30, паз 8, D13 Арт. D13

штука
технические характеристики
Паз: 8
Серия: 30
Масса: 0,139 кг / шт
Материал: цинк

Описание товара

   Шарнирный соединитель 30х30 используется для образования шарнирного соединения алюминиевых конструкционных профилей 30х30 под углом от 90 до 180 градусов. Крепеж №190 используется для крепления в паз профиля.