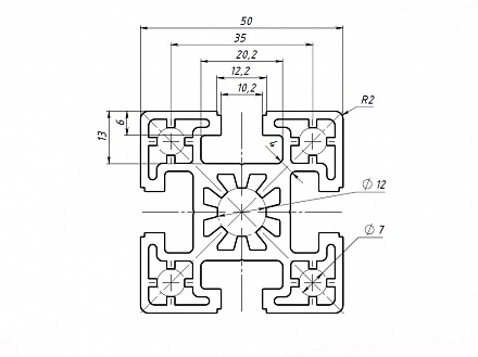
Профиль конструкционный 50х50 (Без покрытия) Арт. 655X
технические характеристики
| Длина профиля: | 6020 мм |
| Паз: | 10 |
| Серия: | 50 |
| Масса: | 2,64 кг / м |
| Материал: | AlMgSi 6060 Т6 |
| Покрытие: | без покрытия |
| Площадь сечения профиля: | 9.79 см2 |
| Момент инерции, (Ix): | 22.5 см4 |
| Момент инерции, (Iy): | 22.5 см4 |
| Момент сопротивления, (Wx): | 9,00 см3 |
| Момент сопротивления, (Wy): | 9,00 см3 |
| Резьба в центральном канале: | M14 |
| Резьба в угловых каналах: | M8 |
| Аналог Item: | 0.0.624.51 |
| Аналог Kanya: | A01–1 |
| Аналог Bosh: | 3842993421 |
| Стоимость 1 реза в размер: | 50 р |
Описание товара
Данные профили, являются особенно подходящими для конструкций несущие высокие нагрузки, такие как рабочие столы, транспортные тележки, рамы под оборудование и другое.
Профиль изготовлен по стандартам
ГОСТ 22233-2025
Профиль изготовлен по стандартам
ГОСТ 22233-2025