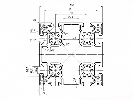
Профиль конструкционный 100х100L (Без покрытия) Арт. 61010LX
технические характеристики
| Длина профиля: | 6020 мм |
| Паз: | 10 |
| Серия: | 50 |
| Масса: | 6,48 кг / м |
| Материал: | AlMgSi 6060 Т6 |
| Покрытие: | без покрытия |
| Площадь сечения профиля: | 24 см2 |
| Момент инерции, (Ix): | 260.07 см4 |
| Момент инерции, (Iy): | 260.07 см4 |
| Момент сопротивления, (Wx): | 52,01 см3 |
| Момент сопротивления, (Wy): | 52,01 см3 |
| Резьба в центральном канале: | M14 |
| Резьба в угловых каналах: | M8 |
| Аналог Item: | 0.0.624.66 |
| Аналог Kanya: | MA3–5 |
| Аналог Bosh: | 3 842 529 356 |
| Стоимость 1 реза в размер: | 100 р |
Описание товара
Данные профили, являются особенно подходящими для конструкций несущие высокие нагрузки, такие как рабочие столы, транспортные тележки, рамы под оборудование и другое.
Профиль изготовлен по стандартам
ГОСТ 22233-2025
Продается кратно 1 метру.
Профиль изготовлен по стандартам
ГОСТ 22233-2025
Продается кратно 1 метру.