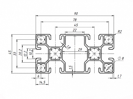
Профиль конструкционный 45х90SL (Без покрытия) Арт. 559SLX
технические характеристики
| Длина профиля: | 6020 мм |
| Паз: | 10 |
| Серия: | 45 |
| Масса: | 2,21 кг / м |
| Материал: | AlMgSi 6060 Т6 |
| Покрытие: | без покрытия |
| Площадь сечения профиля: | 8.18 см2 |
| Момент инерции, (Ix): | 18.65 см4 |
| Момент инерции, (Iy): | 69.81 см4 |
| Момент сопротивления, (Wx): | 8,29 см3 |
| Момент сопротивления, (Wy): | 15,51 см3 |
| Резьба в центральном канале: | M14 |
| Резьба в угловых каналах: | M10 |
| Аналог Kanya: | E02–3 |
| Аналог Bosh: | 3 842 537 103 |
| Стоимость 1 реза в размер: | 70 р |
Описание товара
Серия 45 - универсальная серия профиля с т-образным пазом, предназначенная для построения несущих и средненагруженных конструкций. Является отличной альтернативой профиля Серии 40. Широко применяется при реализации крупных проектов (поточные линии, конвейеры, сборочные линии и участки) как профиль наилучшим образом сочетающий в себе высокую надежность и приемлемую цену.
Профиль изготовлен по стандартам
ГОСТ 22233-2025
Профиль изготовлен по стандартам
ГОСТ 22233-2025