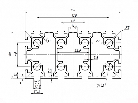
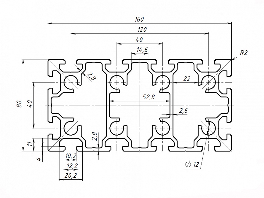
Профиль конструкционный 80х160H (Ан. серебро) Арт. 4816H
технические характеристики
| Длина профиля: | 5020 мм |
| Паз: | 10 |
| Серия: | 40 |
| Масса: | 8,9 кг / м |
| Материал: | AlMgSi 6060 Т6 |
| Покрытие: | анодирование |
| Площадь сечения профиля: | 32.7 см2 |
| Момент инерции, (Ix): | 246.15 см4 |
| Момент инерции, (Iy): | 835.2 см4 |
| Момент сопротивления, (Wx): | 61,54 см3 |
| Момент сопротивления, (Wy): | 104,40 см3 |
| Резьба в центральном канале: | M14 |
| Аналог Item: | 0.0.453.32 |
| Аналог Kanya: | MC1–9 |
| Аналог Bosh: | 3 842 529 350 |
| Стоимость 1 реза в размер: | 120 р |
Описание товара
Серия 40 является наиболее распространённой и широко применяемой серией алюминиевого конструкционного профиля. Обладая значительной прочностью и жёсткостью при малом удельном весе, профиль находит широчайшее применение при изготовления различных конструкций, начиная со сборки рабочих столов, верстаков, ограждений промышленного и лабораторного оборудования и заканчивая конвейерными системами и станинами тяжелых станков и машин. С данным профилем рекомендуем использовать Т-гайки для соединения с пластинами, уголками.
Профиль изготовлен по стандартам
ГОСТ 22233-2025
Продается кратно 1 метру.
Профиль изготовлен по стандартам
ГОСТ 22233-2025
Продается кратно 1 метру.