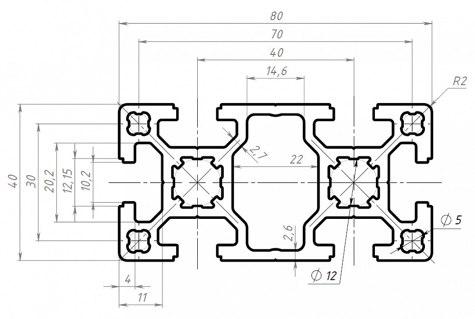
Профиль конструкционный 40х80H (Без покрытия) Арт. 448HX
технические характеристики
| Длина профиля: | 6020 мм |
| Паз: | 10 |
| Серия: | 40 |
| Масса: | 3,04 кг / м |
| Материал: | AlMgSi 6060 Т6 |
| Покрытие: | без покрытия |
| Площадь сечения профиля: | 11,26 см2 |
| Момент инерции, (Ix): | 19,12 см4 |
| Момент инерции, (Iy): | 72,65 см4 |
| Момент сопротивления, (Wx): | 9,56 см3 |
| Момент сопротивления, (Wy): | 18,16 см3 |
| Резьба в центральном канале: | M14 |
| Резьба в угловых каналах: | M6 |
| Аналог Item: | 0.0.717.21 |
| Аналог Kanya: | C02-1 |
| Аналог Bosh: | 3 842 529 342 |
| Стоимость 1 реза в размер: | 60 р |
Описание товара
Серия 40 является наиболее распространённой и широко применяемой серией алюминиевого конструкционного профиля. Обладая значительной прочностью и жёсткостью при малом удельном весе, профиль находит широчайшее применение при изготовления различных конструкций, начиная со сборки рабочих столов, верстаков, ограждений промышленного и лабораторного оборудования и заканчивая конвейерными системами и станинами тяжелых станков и машин.
Профиль изготовлен по стандартам
ГОСТ 22233-2025
Профиль изготовлен по стандартам
ГОСТ 22233-2025