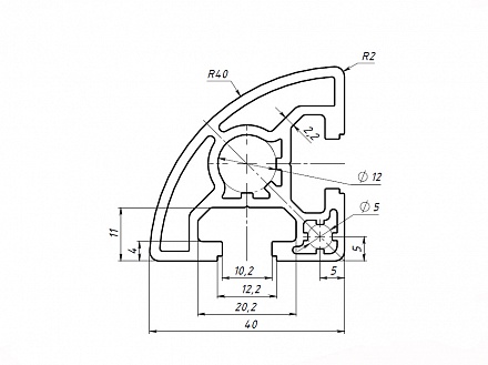
Профиль конструкционный 40х40R (Без покрытия) Арт. 444RX
технические характеристики
| Длина профиля: | 6000 мм |
| Паз: | 10 |
| Серия: | 40 |
| Масса: | 1,26 кг / м |
| Материал: | AlMgSi 6060 Т6 |
| Покрытие: | без покрытия |
| Площадь сечения профиля: | 4.6 см2 |
| Момент инерции, (Ix): | 8.3 см4 |
| Момент инерции, (Iy): | 4.8 см4 |
| Момент сопротивления, (Wx): | 4,15 см3 |
| Момент сопротивления, (Wy): | 2,40 см3 |
| Резьба в центральном канале: | M14 |
| Резьба в угловых каналах: | M6 |
| Аналог Item: | 0.0.453.39 |
| Аналог Kanya: | C03–8 |
| Аналог Bosh: | 3842529360 |
| Стоимость 1 реза в размер: | 40 р |
Описание товара
Алюминиевый профиль серии 40 с пазом 10 мм применяется для простых конструкций, воспринимающих средние нагрузки. Скругление профиля с внешней стороны придает конструкции эстетический вид.
Профиль изготовлен по стандартам
ГОСТ 22233-2025
Профиль изготовлен по стандартам
ГОСТ 22233-2025