Профиль конструкционный 40х40H (Без покрытия) Арт. 444HX
технические характеристики
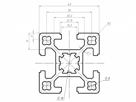
| Длина профиля: | 6020 мм |
| Паз: | 10 |
| Серия: | 40 |
| Масса: | 1,74 кг / м |
| Материал: | AlMgSi 6060 Т6 |
| Покрытие: | без покрытия |
| Площадь сечения профиля: | 6,39 см2 |
| Момент инерции, (Ix): | 10,43 см4 |
| Момент инерции, (Iy): | 10,43 см4 |
| Момент сопротивления, (Wx): | 5,22 см3 |
| Момент сопротивления, (Wy): | 5,22 см3 |
| Резьба в центральном канале: | M14 |
| Резьба в угловых каналах: | M6 |
| Аналог Item: | 0.0.452.80 |
| Аналог Kanya: | C02-1 |
| Аналог Bosh: | 3842993126 |
| Стоимость 1 реза в размер: | 40 р |
Описание товара
Серия 40 является наиболее распространённой и широко применяемой серией алюминиевого конструкционного профиля. Обладая значительной прочностью и жёсткостью при малом удельном весе, профиль находит широчайшее применение при изготовления различных конструкций, начиная со сборки рабочих столов, верстаков, ограждений промышленного и лабораторного оборудования и заканчивая конвейерными системами и станинами тяжелых станков и машин.
Профиль изготовлен по стандартам
ГОСТ 22233-2025
Профиль изготовлен по стандартам
ГОСТ 22233-2025