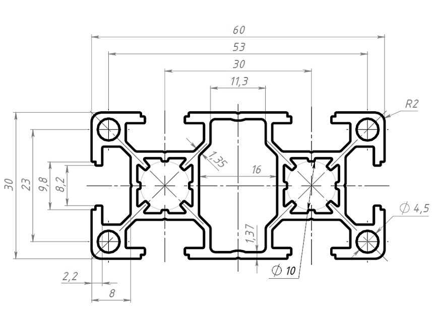
Профиль конструкционный 30х60 (Ан. черный) Арт. 336B
технические характеристики
| Длина профиля: | 6020 мм |
| Паз: | 8 |
| Серия: | 30 |
| Масса: | 1,3200 кг / м |
| Материал: | AlMgSi 6060 Т6 |
| Покрытие: | анодирование |
| Площадь сечения профиля: | 5.63 см2 |
| Момент инерции, (Ix): | 5.37 см4 |
| Момент инерции, (Iy): | 19.68 см4 |
| Момент сопротивления, (Wx): | 3,58 см3 |
| Момент сопротивления, (Wy): | 6,56 см3 |
| Резьба в центральном канале: | M12 |
| Резьба в угловых каналах: | M5 |
| Аналог Item: | 0.0.451.14 |
| Аналог Kanya: | B01–6 |
| Аналог Bosh: | 3842992457 |
| Стоимость 1 реза в размер: | 45 р |
Описание товара
Алюминиевый профиль серии 30 с пазом 8 мм применяется для простых конструкций, воспринимающих средние нагрузки. Широко используется для создания выставочных стендов, легких дверей и перегородок, защитных ограждений, небольших лабораторных приборов и других конструкций. Профиль размером 30х60 может также использоваться для изготовления стеллажей и полок.
Профиль изготовлен по стандартам
ГОСТ 22233-2025
Профиль изготовлен по стандартам
ГОСТ 22233-2025