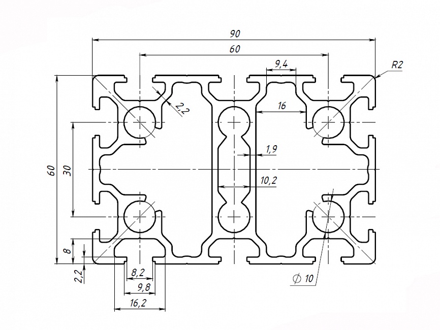
Профиль конструкционный 60х90 (Без покрытия) Арт. 369X
технические характеристики
| Длина профиля: | 6020 мм |
| Паз: | 8 |
| Серия: | 30 |
| Масса: | 3,8 кг / м |
| Материал: | AlMgSi 6060 Т6 |
| Покрытие: | без покрытия |
| Площадь сечения профиля: | 14.1 см2 |
| Момент инерции, (Ix): | 59.7 см4 |
| Момент инерции, (Iy): | 122.3 см4 |
| Момент сопротивления, (Wx): | 19,90 см3 |
| Момент сопротивления, (Wy): | 27,18 см3 |
| Резьба в центральном канале: | M12 |
| Резьба в угловых каналах: | M5 |
| Стоимость 1 реза в размер: | 75 р |
Описание товара
Алюминиевый профиль серии 30 с пазом 8 мм применяется для простых конструкций, воспринимающих средние нагрузки. Широко используется для создания выставочных стендов, легких дверей и перегородок, защитных ограждений, небольших лабораторных приборов и других конструкций.
Профиль изготовлен по стандартам
ГОСТ 22233-2025
Продается кратно 1 метру.
Профиль изготовлен по стандартам
ГОСТ 22233-2025
Продается кратно 1 метру.