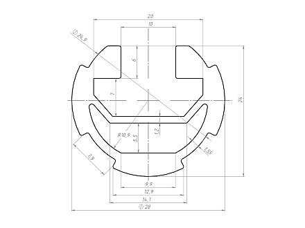
Профиль трубный Φ28 с пазом 10мм Арт. 428UPL
технические характеристики
| Длина профиля: | 4000 мм |
| Серия: | 28 |
| Масса: | 0,6580 кг / м |
| Материал: | AlMgSi 6060 Т6 |
| Покрытие: | анодирование |
| Площадь сечения профиля: | 2,33 см2 |
| Момент инерции, (Ix): | 1,1 см4 |
| Момент инерции, (Iy): | 1,79 см4 |
| Момент сопротивления, (Wx): | 0,91 см3 |
| Момент сопротивления, (Wy): | 1,29 см3 |
| Стоимость 1 реза в размер: | 30 р |
Описание товара
Для рабочих мест, промышленных столов и стеллажей; для производства тележек, беседок и мелкого строительства; в изготовлении мебели и множества других конструкций — конструкционный круглый профиль используется везде и с большим успехом. При этом основных соединителей при стыковке трубных профилей требуется меньше. Аналог системы EcoShape от Bosch Rexroth Group