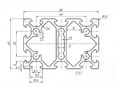
Профиль конструкционный V20.40х60 (Ан. Черный) Арт. V246B
технические характеристики
| Длина профиля: | 5020 мм |
| Паз: | 6 |
| Серия: | 20 |
| Масса: | 1,85 кг / м |
| Материал: | AlMgSi 6060 Т6 |
| Покрытие: | анодирование |
| Площадь сечения профиля: | 6.85 см2 |
| Момент инерции, (Ix): | 12.72 см4 |
| Момент инерции, (Iy): | 25.7 см4 |
| Момент сопротивления, (Wx): | 6,36 см3 |
| Момент сопротивления, (Wy): | 8,57 см3 |
| Резьба в центральном канале: | M6 |
| Стоимость 1 реза в размер: | 40 р |
Описание товара
Алюминиевый профиль 20 серии с пазом 6 мм применяется для простых конструкций воспринимающих средние нагрузки, а благодаря наличию V-slot паза, он отлично подходит для создания каркаса 3D принтера. Также широко используется для создания выставочных стендов, легких дверей и перегородок, защитных ограждений, небольших лабораторных приборов и других конструкций. Профиль конструкционный 20.40х60B отлично подойдет для домашних конструкций.
Профиль изготовлен по стандартам
ГОСТ 22233-2025
Профиль изготовлен по стандартам
ГОСТ 22233-2025