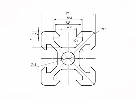
Профиль конструкционный V20х20 (Без покрытия) Арт. V222X
технические характеристики
| Длина профиля: | 5020 мм |
| Паз: | 6 |
| Серия: | 20 |
| Масса: | 0,48 кг / м |
| Материал: | AlMgSi 6060 Т6 |
| Покрытие: | без покрытия |
| Площадь сечения профиля: | 1.76 см2 |
| Момент инерции, (Ix): | 0.71 см4 |
| Момент инерции, (Iy): | 0.71 см4 |
| Момент сопротивления, (Wx): | 0,71 см3 |
| Момент сопротивления, (Wy): | 0,71 см3 |
| Резьба в центральном канале: | M6 |
| Стоимость 1 реза в размер: | 20 р |
Описание товара
Алюминиевый профиль 20 серии с пазом 6 мм применяется для простых конструкций воспринимающих средние нагрузки, а благодаря наличию V-slot паза, он отлично подходит для создания каркаса 3D принтера. Также широко используется для создания выставочных стендов, легких дверей и перегородок, защитных ограждений, небольших лабораторных приборов и других конструкций. Профиль конструкционный 20х20X отлично подойдет для домашних конструкций.
Профиль изготовлен по стандартам
ГОСТ 22233-2025
Профиль изготовлен по стандартам
ГОСТ 22233-2025